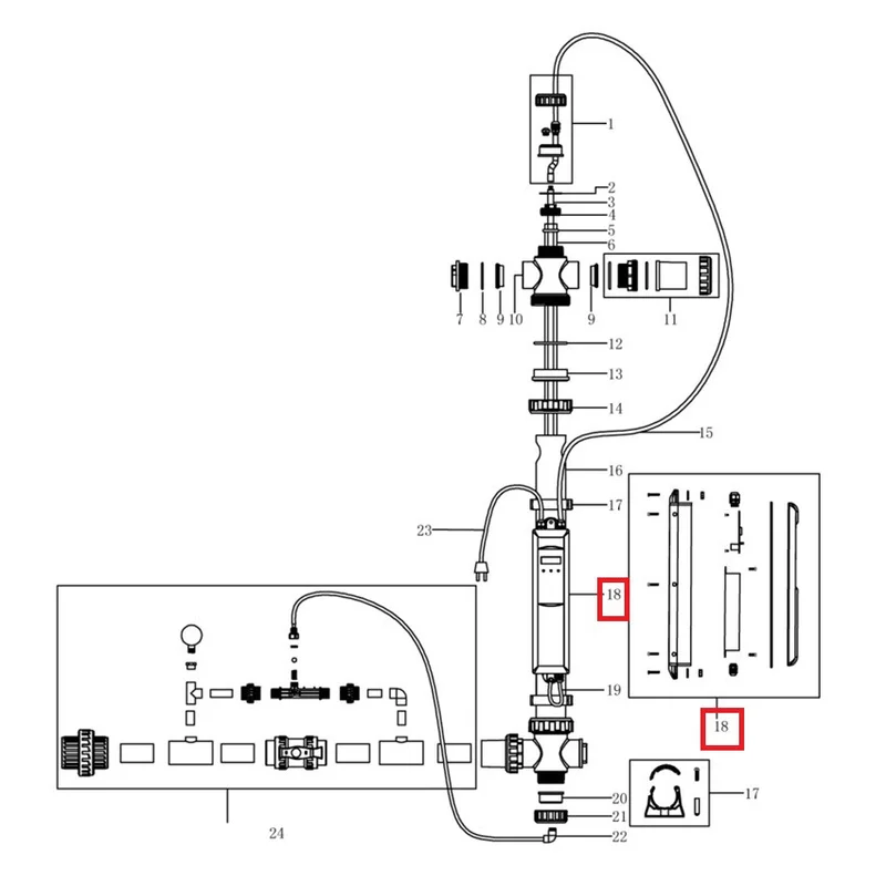
Блок живлення для УФ установки Emaux NT-UV87
Отзывы:
0
Производитель: Emaux
Код Товара: 09-22265
8 041.00 ₴
В наличии
GBONUS+80(грн) бонуса вам на счет
Доставка в
Харьков
В отделение
По тарифам перевозчика
Курьером
По тарифам перевозчика
В почтомат
По тарифам перевозчика
Похожие товары
Описание
Блок живлення для УФ установки Emaux NT-UV87.

