Насос поверхностный "Насосы+" JET 110B
Cамовсасывающие электронасосы серии JET предназначены для подачи воды из открытых водоемов, колодцев, скважин, накопительных емкостей. Используются в системах полива садов и огородов, системах капельного орошения, системах повышения давления различного назначения. Конструкция насосной части JET позволяет получить более высокие напоры и высоту всасывания по сравнению с обычными центробежными насосами такой же мощности. Могут перекачивать жидкости, в которых присутствует воздух или газ. Являются хорошим решением для использования в станциях автоматического повышения давления для систем водоснабжения частных домов и коттеджей.
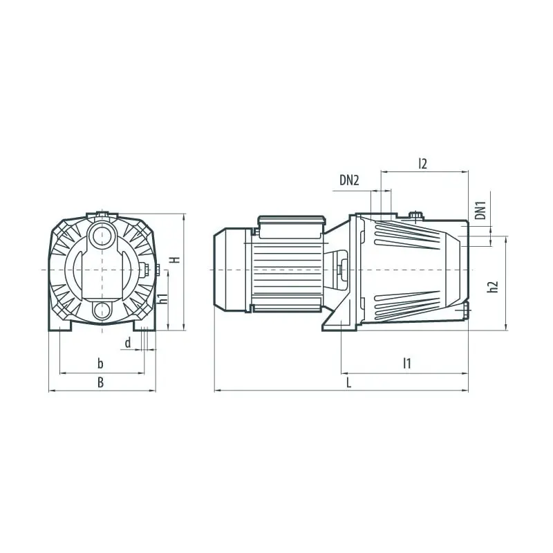
Конструктивные характеристики:- моноблочные горизонтальные с одним рабочим колесом
- корпус насосной камеры из чугуна
- колесо рабочее — центробежное, закрытого типа, выполнено из латуни, для модели JET40 и JET100X из высокопрочного технополимера NORYL
- встроенный в насосную камеру узел эжектора (диффузор с трубкой Вентури) выполнен из высокопрочного технополимера NORYL
- вал из нержавеющей стали AISI 304
- уплотнение торцовое — графит/керамика/NBR/AISI 304
- укомплектован кабелем питания
Двигатель:
- асинхронный двухполюсный с короткозамкнутым ротором, с самовентиляцией
- степень защиты IP44
- класс нагревостойкости изоляции В
- однофазное исполнение с установленным в коробку выводов конденсатором
- встроенная в обмотку двигателя защита от перегрузок с автоматическим перезапуском
- напряжение питания: 220 В, 50 Гц
- режим работы: продолжительный
Ограничения
- перекачиваемая жидкость: вода или другие жидкости, сходные с водой по плотности и химической активности
- общая минерализация воды, не более 1500 г/м³
- показатель рН 6,5 – 9,5
- содержание механических примесей, не более 0,01%
- максимальный размер частиц, не более 0,2 мм
- максимальная температура перекачиваемой жидкости +40°С
- максимальная температура окружающей среды +40°С
- максимальное рабочее давление: 0,7 МПа (7 бар)

