


Код Товара: 25-458.103.00.1

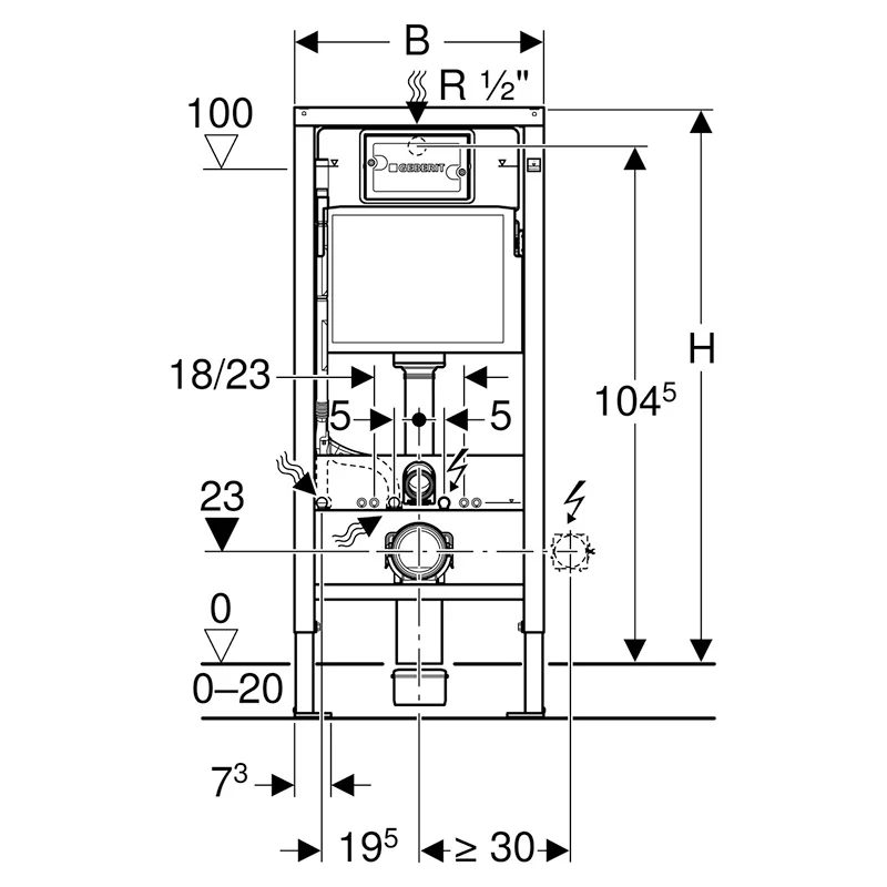
Інсталяційна с-ма DUOFIX д/унітазу 2 в 1 д/кнопок DELTA Geberit
6 240 ₴
Нет в наличии
GBONUS+62(грн) бонуса вам на счет