





Код Товара: 07-38721001

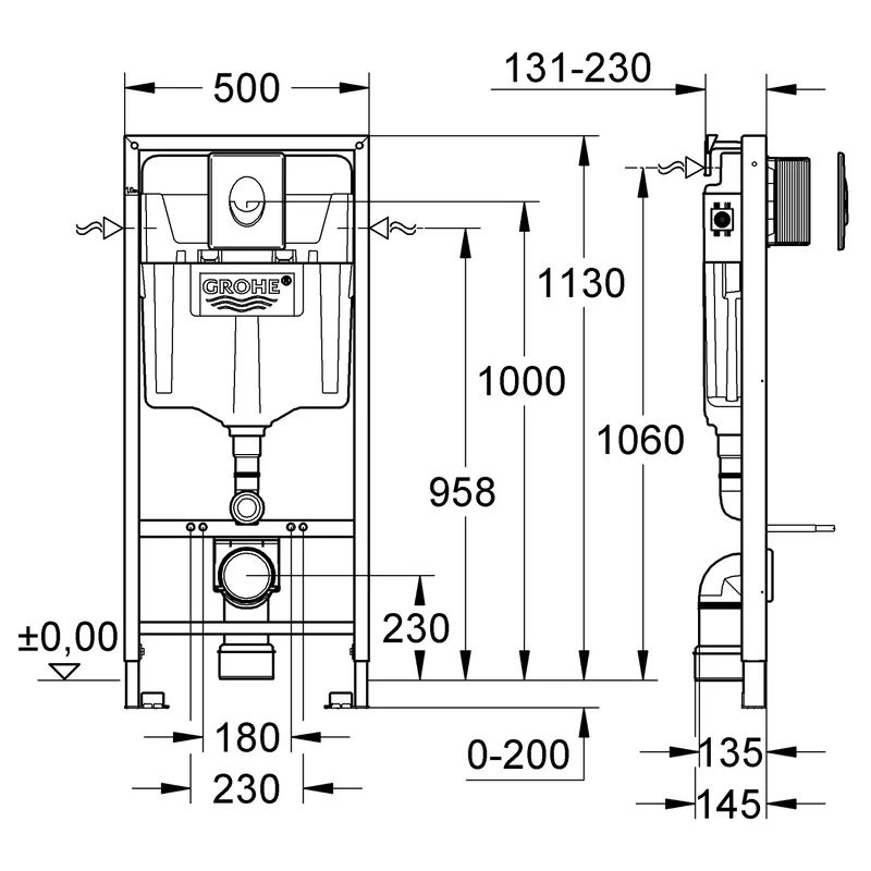
Система инсталляции для унитаза 3 в 1 Grohe Rapid SL (38721001)
8 599 ₴
Нет в наличии
GBONUS+86(грн) бонуса вам на счет