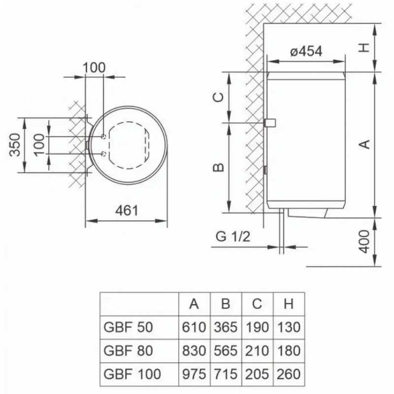
Водонагреватель Tiki GBF 50/UA, накопительный, 2 сухих ТЭНа
Бойлер Tiki GBF 50 UA – это современный накопительный водонагреватель, который порадует Вас элегантным дизайном. Он оснащен простым и понятным блоком управления и потребляет минимум энергии. Цилиндрический бак имеет механическое управление, а регулятор температуры – открытый (на корпусе). В бойлер с объемом бака 50 л встроен сухой ТЭН мощностью 2000 Вт, он быстро греет воду и имеет долгий срок службы. Вертикальная установка позволяет производить монтаж в любом доступном для Вас месте.
Режимы работы
- Режим антизамерзания: ~10°C;
- Низкая температура: ~35°C;
- Экономический нагрев: ~55 °C;
- Максимальный нагрев: ~75°C.
Включение и выключение бойлера
После подключения к водопроводу и электросети водонагреватель готов к использованию. Температуру нагрева воды можно регулировать в диапазоне от 10 до 75°C с помощью поворотной ручки термостата, расположенной на передней панели устройства.
Рекомендуется устанавливать термостат в положение “ECO”, поскольку это наиболее энергоэффективный режим. В этом случае температура воды поддерживается на уровне примерно 55°C, что уменьшает образование накипи и тепловые потери. О работе нагревательного элемента сигнализирует индикаторная лампа.
Если вы планируете не пользоваться бойлером в течение одной-двух недель, а температура в помещении ниже 10°C, установите режим "Антизамерзание" - он автоматически поддерживает температуру воды на уровне 10°C, предотвращая замерзание. При длительном отсутствии (более 3–4 недель) рекомендуем слить воду из бойлера и выключить его из сети во избежание появления бактерий и неприятного запаха в воде. Слив воды производится через входное соединение или предохранительный клапан (режим Test). Остатки воды можно удалить, открутив нагревательный фланец.
Преимущества водонагревателя Tiki GBF 50 RU:
- Сухой ТЭН – нагревательные элементы расположены в эмалированном фланце, что исключает их контакт с водой и продлевает срок эксплуатации.
- Прочная конструкция – бак изготовлен из холоднокатаной стали, что обеспечивает надежность даже в сложных условиях. Толщина металла: 2,25 мм (верхняя и нижняя части), 1,8 мм (боковые стенки).
- Удобное управление – механический регулятор позволяет выбрать ECO, максимальный нагрев (75°C) или защиту от замерзания (10°C).
- Быстрый нагрев – бойлер обеспечивает до 66 литров смешанной воды при температуре 40°C за 115 минут.
- Современная технология эмалирования – нанесение защитного покрытия контролируется на всех этапах и завершается запеканием при температуре 850°C.
- Эффективная теплоизоляция – экологический утеплитель толщиной 23 мм уменьшает потери тепла и обеспечивает экономное потребление электроэнергии (1,32 кВтч/24 часа).
- Энергоэффективность – режим ECO поддерживает температуру 55°C, уменьшая образование накипи и тепловые потери.
- Безопасность – встроенная система защиты от перегрева автоматически выключает бойлер при достижении 90°C, предотвращая неисправности и перегрев воды.
- Двойная защита от коррозии – покрытие из ультрачистой эмали и увеличенный магниевый анод гарантируют долговечность устройства и предотвращают образование вредных примесей в воде.

