

Код товару: 38-SD00003906

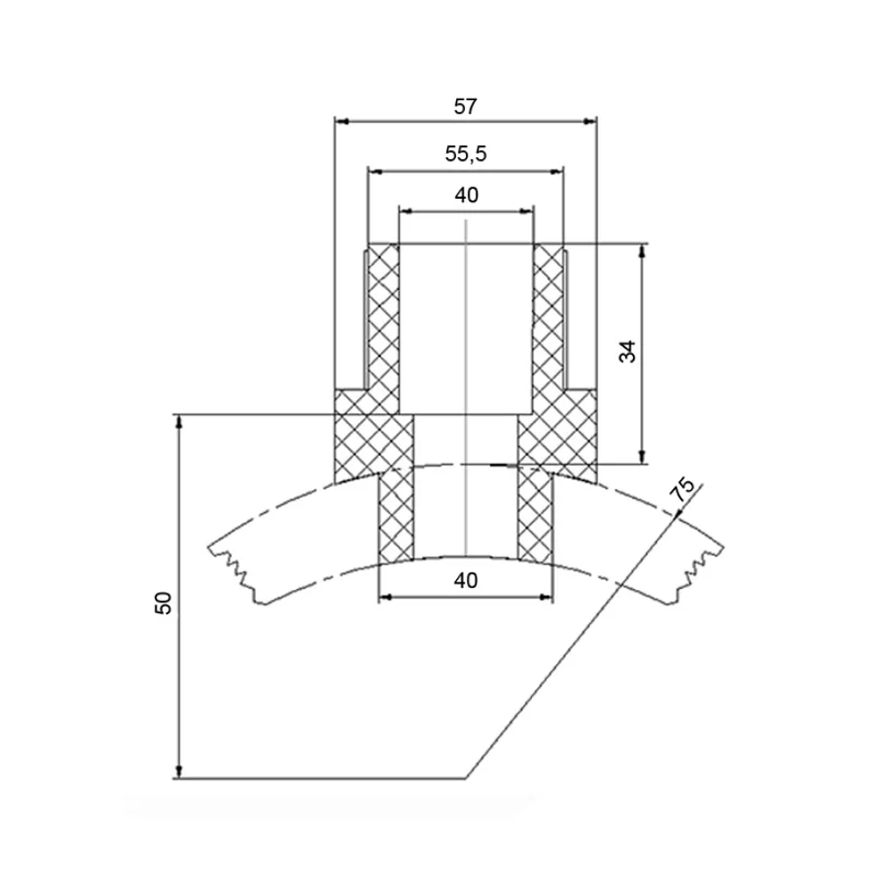
Вварне сідло PPR Blue Ocean 75х40
32 ₴
В наявності